Гидрозамок двустороннего действия тип А VBPDE 1/2 A
Гидрозамок двустороннего действия тип А VBPDE 1/2 A, Производитель: «Oleodinamica Marchesini», Италия
Материал корпуса: оцинкованная сталь
Материал компонентов: закаленная сталь
Уплотнения: BUNA N (стандартно)
Тип запирающего элемента: без утечек
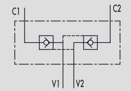
Подключение: Подключите V1 и V2 к напорным линиям, C1 и С2 к полостям цилиндра.
По заказу:
- без уплотнений в управляющей линии
- пружина 1 бар
- пружина 8 бар
В наличии на GIDROS.BY по выгодной цене Гидрозамок двустороннего действия тип А VBPDE 1/2 A с доставкой по всей Беларуси!

Рабочие характеристики при температуре масла 50°С и вязкости 30сСт
Технические данные:
| Код | Обозначение | PILOT RATIO | Расход, л/мин | Давление макс., бар | Мин. давление открытия, бар |
|---|---|---|---|---|---|
| V0178 | VBPDE 1/4" A | 1:5,5 | 20 | 350 | 4,5 |
| V0180 | VBPDE 3/8" A | 1:5,5 | 30 | 350 | 4,5 |
| V0190 | VBPDE 1/2" A | 1:4,5 | 55 | 350 | 5,5 |
| V0191 | VBPDE 3/4" A | 1:3,7 | 100 | 350 | 3 |
Размеры гидроклапанов VBPDE A:
| Код | Обозначение | V1-V2 C1-C2, BSP | L mm | L1 mm | L2 mm | L3 mm | L4 mm | H mm | S mm | Масса, кг |
|---|---|---|---|---|---|---|---|---|---|---|
| V0178 | VBPDE 1/4" A | G 1/4" | 80 | 113 | 27 | 52 | 44 | 60 | 30 | 1,032 |
| V0180 | VBPDE 3/8" A | G 3/8" | 80 | 113 | 30 | 52 | 44 | 60 | 30 | 0,994 |
| V0190 | VBPDE 1/2" A | G 1/2" | 115 | 147 | 39 | 80 | 40 | 80 | 35 | 2,324 |
| V0191 | VBPDE 3/4" A | G 3/4" | 158 | 198 | 50 | 105 | 58 | 80 | 50 | 4,800 |
Производитель
Oleodinamica Marchesini
Страна-производитель
Италия
Вид
Двухсторонний
Присоединение
Линейный
Резьба
1/2″
Если вы хотите купить гидрозамок двустороннего действия тип А VBPDE 1/2 A , вы можете:
Позвонить:
Ещё из раздела Гидрозамки
Акция на доставку С 26 февраля по 15 марта 2026 года при покупке от 150 рублей доставка гидравлического оборудования через "Европочту" бесплатно по всей Республике Беларусь. Доступна оплата наложенным платежом на ПВЗ "Европочты" . Заказывайте
25.02.2026
Дорогие друзья! Пусть 2026 год принесёт маленькие и большие чудеса: радостные встречи, тёплые моменты, вдохновение, уверенность и светлые перемены. Пусть сбывается задуманное, а каждый день дарит что-то доброе — и в делах, и в жизни. Спасибо, что
24.12.2025
С 21 октября по 20 ноября 2025 года наш магазин проводит акцию — бесплатная доставка для физических лиц через службу "Европочта" по всей территории Беларуси. Вы можете оформить заказ удобным для вас способом: через корзину на сайте; или по телефону
21.10.2025
Скидки распространяются на множество видов товаров такие как: фильтры, гидрораспределители, насосы, тросы, манометры, гидроклапаны, электромагнитные распределители.
20.06.2025





